Headsburg Bridge
A custom, corten steel bridge and secret patio at a boutique hotel in the heart of Sonoma County wine country.
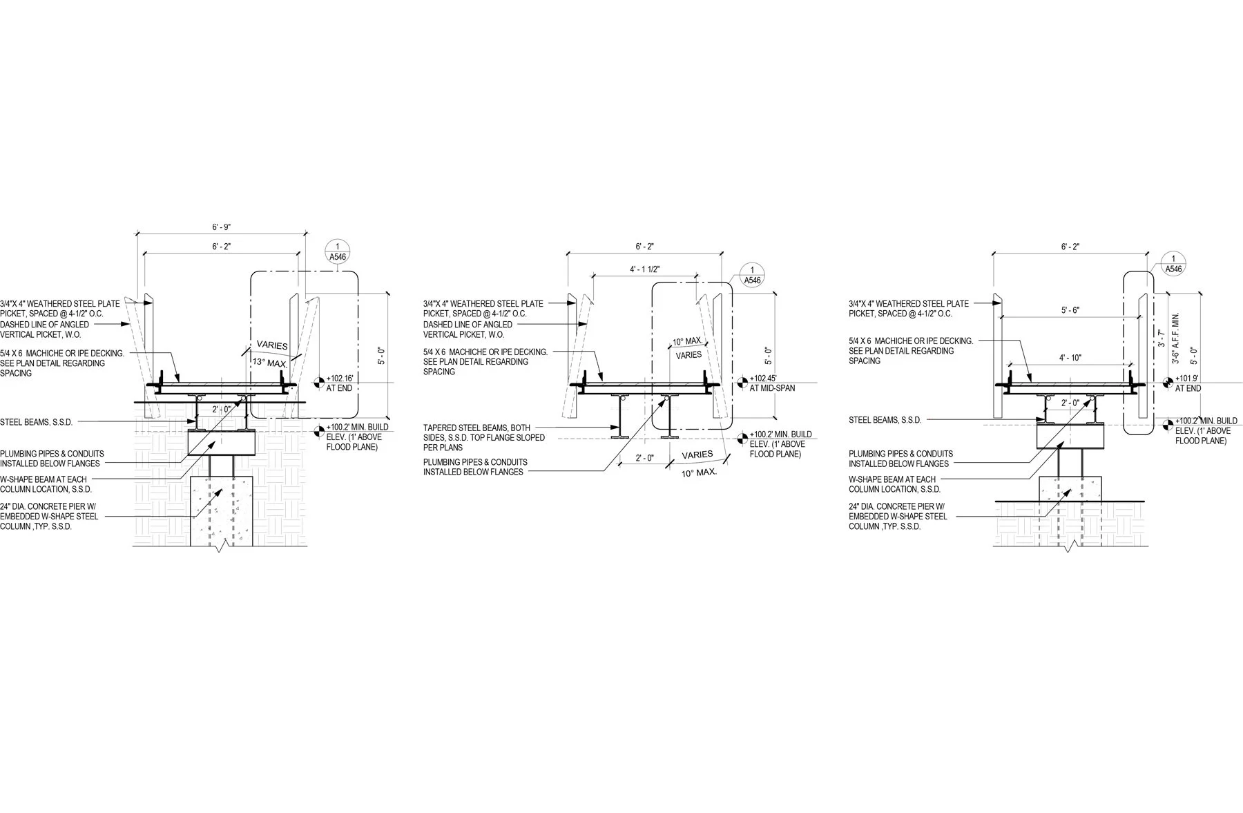
Located in the backyard of the David Baker Architects (DBA)-designed Harmon Guesthouse in downtown Healdsburg, the bridge was designed to minimize environmental impact over an protected creek yet provide access to a hidden gathering space on the opposite side. The picket railing has a subtle curvature which is accentuated in the evenings by downlighting embedded in the handrail cap.
Brad Leibin led this project during his tenure with David Baker Architects.
Image: Bruce Damonte
Image: Bruce Damonte
Image: Bruce Damonte
Image: David Baker Architects
Image: David Baker Architects

